首页
关于我们
关于我们
荣誉资质
企业文化
产品中心
在线式单色测温仪
在线式双色测温仪
便捷式测温仪
玻璃专用测温仪
铝业专用测温仪
熔炼专用测温仪
选配附件
技术支持
红外测温原理
行业应用
测温仪特点
常见问题
名词术语
案例展示
现场图片
现场视频
下载中心
说明书下载
论文下载
联系我们
English
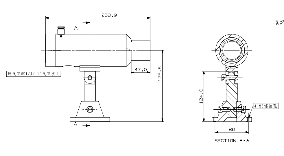
风冷套
—— GY-FL100系列
首页
>
产品中心
>
选配附件
>
风冷套
风冷套
GY-FL100系列
为此装置输送压缩空气时,可使罩内的测温仪器进行降温制冷,也可起到吹扫灰尘的作用。
LED数码显示屏
GY-05/08系列
风冷套
GY-FL100系列
029-89527269